† A few extended topics images from CD Rom for Mitra, Sanjit Kumar, and Yonghong Kuo. Digital signal processing: a computer-based approach. Vol. 2. New York: McGraw-Hill, 2006.
Signed Interpretation (MSB used for representing Negative Numbers)
−2n−1xn−1+i=0∑n−2(2ixi)
Two’s complement uses the msb to weight/contribute a large negative number instead of a large positive value
Ex: 1001 is -8 + 1=-7
4-bit signed range is 0+4+2+1 =7 to -8+0+0+0 =-8
4-bit unsigned Range is 8+4+2+1=15 to 0+0+0+0 =0
If MSB, xN−1, is 0 the interpretation is the same
unsigned: X<=2N−1−1
signed: X positive , X<=2N−1−1
If MSB, xN−1 , is 1, the interpretation is different
unsigned: X>=2N−1
signed: X negative, X>=−1×2N−1
When the MSB is 1, the adjustment from one interpretation to the other is an offset of 2 times the most significant weight, 2×2N−1, which is 2N.
Subtract 2N to go from unsigned to signed
Add 2N to go from signed to unsigned
Ex: Receive bits from a UART 10000010
as unsigned this appears to be 130, but detecting that it is >=128 and then
subtracting 256 gives results in -126
Negative Numbers in Two’s Complement (2N−X)
It is also useful to think about negative twos-complement values complement in this way:
for a N-bit X, if the msb is 1 the value is the following difference: 2N - $unsigned(X)
for a 16-bit value X, if the msb is 1, the value is the distance from 216 to the value from unsigned interpretation of X
Ex:
16’b1111_1111_1111_1101 is therefore easily seen to be -3: since X+2+1 overflows to 216
16’b1111_1110_1111_1101 is therefore easily seen to be -259: since X+256+2+1 overflows to 216
Two’s Complement Wheel
Helps visualize
bit interpretation
modular arithmetic
e.g. (X+Y)%24
overflow
image src:https://stackoverflow.com/questions/55145028/binary-ones-complement-in-python-3, though origin uncertain
adding (and subtracting) signed and unsigned numbers is no different at the bit/hardware level, represented as modular arithmetic
Conversion Arithmetic
What number is this: 1011? What data is stored in these bits: 0000 1000 0000 0001?
The answer depends on the interpretation
If neither the hardware nor software provides the required interpretation natively, you must facilitate interpretation by converting the data into a native format.
The following assumes word sizes are sufficient for the conversion arithmetic, e.g. working with 12-bit words in a 16-bit architecture
Interpreting unsigned as signed:
To reinterpret (1)2N−1 as −(1)2N−1, subtract 2N
If reading bits from a data stream, the subtraction by be necessary in software
Example: a 12-bit two’s complement ADC value is read from a 16-bit I/O port as 12’b0000_1000_0000_0001. Using a default interpretation in C, printf("%d",X) displays the result as 2049. What is the actual value? Ans: -2047
Interpreting signed as unsigned:
To reinterpret −(1)2N−1 as (1)2N−1, add 2N
Ex: if we print -2047 as unsigned, we get 2049
Conversion for 4-bit Data
Bits x3x2x1x0
Unsigned
relation
Signed
1111
15
−16+16
−1=24−15
1110
14
−16+16
−2=24−14
1101
13
−16+16
−3=24−13
1100
12
−16+16
−4=24−12
1011
11
−16+16
−5=24−11
1010
10
−16+16
−6=24−10
1001
9
−16+16
−7=24−9
1000
8
−16+16
−8=24−8
0111
7
=
+7
0110
6
=
+6
0101
5
=
+5
0100
4
=
+4
0011
3
=
+3
0010
2
=
+2
0001
1
=
+1
0000
0
=
+0
Visual Example:
Sine Wave transmitted using 5-bit data
Complement and Increment
Implementation of 2N−X with operations defined on N-bit values
2N has no N-bit representation
A two-step process can represent negation, without requiring extending the number of bits for the numerical symbols.
Steps:
Bit-Wise Complement
Increment
Let X and Y represent bits in hardware expressed as an unsigned interpretation, though they may store a two’s complement representation
First, recall that addition and subtraction with signed and unsigned numbers are exactly the same in hardware: (let N⊞N⊟ be modular addition and subtraction)
(XN⊞X)Y is (X+Y)%2N where X and Y are the vector of bits undergoing modular addition
Negating in two’s complement:
-X: (2NN⊟X)X) is (2N−X)%2N=−X
2N cannot be represented with N bits, and we might like to represent operations using symbols in the same domain, that of N-bit numbers.
2N−X can be represented in two operations
Let H satisfy 2N=H+1
so that H is "all ones" H=(2N−1)=Nbits111....112
Then define negation N⊟X=(0)N⊟X by the following function N⊟X:(HN⊞1)N⊟X=(HN⊟X)N⊞1
Which when computed with operations equivalent to with modular arithmetic is ((H−X)%2N+1)%2N=−X
Ex: 4-bit negation of 3
x→−x is x−24, where the magnitude of the negative number is 24−x,
but 24 has no 4-bit representation
Ones complement representation represents negative numbers by just bit-complement
Ones complement is inverting bits:
‘‘allones"HN⊟X , can be arithmetically described as ‘‘allones"(2N−1)N⊟X
in modular arithmetic is ((2N−1)−X)%2N=−1−X
Therefore, to generate a twos complement negative from a ones complement negation, just add 1 (2N−1)N⊟XN⊞1=2N–X
which as modular arithmetic is ((2N−1)−X+1)%2N=(2N–X)%2N=−X
Sign-Magnitude
For Sign-Magnitude representation, bit N-1 is the sign and the remaining bits are the magnitude
xN−1xN−2xN−3
both ones complement and sign-magnitude suffer from 0 have two representations
data streams with typically small values on either side of zero involve less bit flipping between which can be valuable for power or digital compression applied along the bit columns
Note, typically you can use an available overflow flag (e.g. V), but for software-only manipulation, or when using a language that doesn’t support access to hardware flags, or if the flags are not preserved you must resort to software techniques
If possible convert data to native words (e.g. perform sign extension) to use hardware flags
Takeaway
Addition overflow possible only if input signs are same, in which case is indicated by the result is a different sign after the operation is performed
If native word-size is used, may be able to use hardware overflow flag
Otherwise, might sign-extention first or otherwise need to provide software to check appropriate bits
A pre-overflow operation check on the input operands is give by example for SIGNED INT: ((a>0) && (b>(INT_MAX-a))) | ((a<0) && (b<(INT_MIN+a)))
Run-time Overflow Detection for Subtraction
Two’s complement subtraction can only under/overflow if the signs of the operands are different, otherwise the magnitude of the result must be smaller than the maximum magnitude of the two operands.
a-b, overflow is colored
Overflow check: sign bits of the input operands are different and resulting sign bit does not match the first operand
Otherwise stated: sign bit of the second operand and the result are the same and not equal to that of the first
Otherwise stated: invert the sign bit of the second operand and use the bit test from addition overflow or negate (two’s complement) second operand and perform addition overflow test
Invert the sign bit of the second operand and use the bit test from addition overflow OR
negate (two’s complement) second operand and perform addition with addition overflow test
Review Points on Bit Length
Twos-complement addition of two N-bit numbers can require up to N+1 bits to store a full result including the overflow
If one operand is shorter, take N to be the maximum of the two lengths
Two’s complement addition can only overflow if signs of operands are the same (likewise for subtraction the signs must be different)
Result of N-bit addition with overflow is dropping of MSBits’s: A+B = (A+B) mod (2^N)
For multiplication, multiplying two N-bit numbers requires up to 2N bits to store the operand. Multiplying a N-bit with a M-bit requires up to N+M bits.
Rounding Errors float to int
In C, Conversion from float to int is defined as truncation of fractional digits, effectively rounding towards zero
5.7→5
−5.7→−5
Nearest Integer Rounding using Floating Point Biasing:
Add +/- .5 before truncation depending on sign
Positive Numbers:
5.7+.5=6.2→6
5.4+.5=5.9→5
−5.7+.5=−5.2→−5 doesn’t work
For negative numbers, need to subtract
−5.7−.5=−6.2→−6
−5.4−.5=−5.9→−5
Takeway
To achieve common rounding when casting from float to int
For positive floats add 0.5 before casting
For negative floats subtract 0.5 before casting
Affecting Conversion Rounding Error with Numerator Bias
Assume unsigned int A,B;
A/B produces floor(A/B) rather than round(A/B)
So (A+B/2)/B is how we get rounding with integer-only arithmetic
If B is odd, we need to choose to round B/2 up or down depending on application
Example:
Want to set serial baud rate using clock divider
i.e. BAUD_RATE=CLK_RATE/CLK_DIV
Option 1:
#defineCLK_DIV(CLK_RATE/BAUD_RATE)
Option 2: BETTER CHOICE WITH INTEGER BIASING
#defineCLK_DIV\(CLK_RATE+(BAUD_RATE/2))/BAUD_RATE
(Note that \ is just the line continuation for c macros)
Takeway
For positive integers, bias the numerator with half of the denominator to approximate division following by rounding
First go big or first go small: choices for order of operations affects result
In general, if intermediate result will fit in the allowed integer word size, apply integer multiplications before integer divisions to avoid loss of precision (e.g. go big first unless overflow, in which case first go small )
Need to consider loss of MSB or LSB digits with intermediate terms and make choices base on application or expected ranges for input values
Example 1: int i = 600, x = 54, y = 23;
want i/x*y : true answer is 255.555… i/x*y result is 253 : good i*y/x result is 255 : better (i*y+x/2)/x result is 256 : best
Example 2:
Assume
an architecture with 16-bit int,
unsigned int c = 7000, x=10,y=2;
want c*x/y which is truly 35000
c*=x; overflows c since (c*x)>65535 resulting in x = 4465
c/=y; get 2232 here from dividing 4465 by 2
c/=y; c*=x; result is 3500*10=35000
Takeway
In general, if intermediate result will fit in the allowed integer word size, apply integer multiplications before integer divisions to avoid loss of precision
Enrichment: Impacts of Limited Precision in DSP Filters
Limited-precision representation of coefficients limits realizable system parameters
Images from Digital Signal Processing with Student CD ROM 4th Edition by Sanjit Mitra
Digital Signal Processing, A Computer-Based Approach Sanjit K. Mitra McGraw Hill
Digital Signal Processing, A Computer-Based Approach Sanjit K. Mitra McGraw Hill
Digital Signal Processing, A Computer-Based Approach Sanjit K. Mitra McGraw Hill
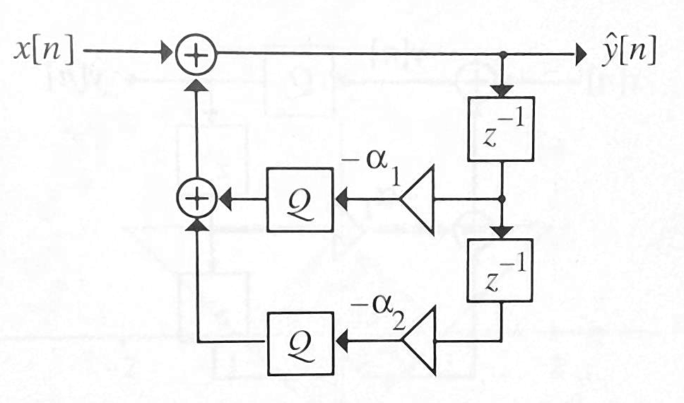
Direct-form II: very poor for high-pass below pass filters requiring pole near the real axis
Digital Signal Processing, A Computer-Based Approach Sanjit K. Mitra McGraw Hill
Digital Signal Processing, A Computer-Based Approach Sanjit K. Mitra McGraw Hill
Manipulation of the order of operations, or alternative numerical formulations can yield different possible system realizations Here is a equivalent system if infinite precision is used, but yields different results if parameters and calculations are of limited precision
Digital Signal Processing, A Computer-Based Approach Sanjit K. Mitra McGraw Hill
Digital Signal Processing, A Computer-Based Approach Sanjit K. Mitra McGraw Hill
Eliminating Overflow or Saturation with Input Prescaling
Overflow may occur at the output and at many points within a system
May be able to avoid internal overflow by pre-scaling (division) and post-scaling (multiplication)
If overflow is possible at the output of the accumulators and cannot be stored into the delay storage registers…
solution is to pre-downscale inputs or include downscaling at internal points within the system (e.g. divide/right-shift x by a necessary factor), but at the cost of lesser effective precision in the result
The transfer function can be computed from the input to the output as well as any intermediate signal.
If the input is bounded, and the system is a bounded-input bounded-output, then multiplying by the gain of the transfer function to any point by the input magnitude reveals the range required at any point
To limit range (# bits) the input can be pre-scaled to, and if required the output can be post-scaled
many times working with the scaled result downstream (no post-scale correction) is fine or better
Increasing Effective Computation Precision with Input Prescaling
In previous graph, can apply multiplication in pre-scaling and division for post-scaling if orginal-scale result is required (many times it isn’t)
By performing internal computations with larger values, numerical loss of accuracy at each step is mitigated
Ex:
Code:
(a/b) > (c/5)
Given
a=21
b=4
c=26
Integer result is same
Prescale:
1000*(a/b) > 1000*(c/5)
New C code:
( (1000*a) / b) > ( (1000* c)/5)
Result
( (21000) / 4) > ( (26000)/5)
5250 > 5200
Log Scale
Log Scales maintain relative accuracy and represent a useful domain change
Compress large values
log10(100)=2,log10(1000)=3
Expand small values
log2(1/2)=-1,log2(1/4)=-2
Common to use “log-likihood” in probability when there are many possibilities each with fractional probability
Note that sqrt monotonic function, therefore for this function f(x)
(x>=y)→f(x)>=f(y)
Simplify:
pow(a_x,2)+pow(a_y,2) > pow(b_x,2)+pow(b_y,2)
Saturation
Sometimes overflow is usual or practically unavoidable, and handing with detection followed by replacing result with limit is more appropriate than modulo arithmetic where small overflow results in a very large discrepancy
Detect overflow condition – override output to avoid LARGE roll-over error from modulus arithmetic
If result exceeds 2N−2−1 replace with 2N−2−1
If result exceeds −2N−2 replace with 2N−2
Schematic depiction (of required software)
Example:
heat controller where heating element unsigned 8-bit input value 250 should increase by 10
should detect and set result to 255 (error of -5), rather than compute 5 (error of -250)
Balanced Range to mitigate accumulated error
many signal processing algorithms and control systems employ summation of values in a series
accumulation of error is important consideration
physical processes can also be affected by accumulated error
i.e. accumulation effect is in physical domain
Using limits 2N−2−1 and −(2N−1) under some conditions may cause bias (non-zero average error) , might be better to limit to 2m−2−1 and −(2N−1−1)
this creates balanced error accumulation
Enrichment Topic: Soft Max
Choosing Smoother Limiting Functions will smooth the estimated wave by “compressing” past a soft limit. The saturation error is smoothed and high-frequency distortion is mitigated.
A linearized approach can be implemented cheaply using a scale for signal components exceeding a soft limit (may involve scale by const or scale by power of two)
Smoother sigmoidal functions mimicking analog circuits can be used as well
Instantaneous value mapping and affect on sinusoidal time series:
When error is small compared to a signal, quantization error is model as noise
in fact it is nearly ideal to model the error as additive white noise when the error very small compared to the signal (high SNR) because the error appears to be uncorrelated with the input whereas the signal can appear to be related to the signal otherwise (see provided graphic)
A computation stage can be numerically modeled using an ideal calculation followed by additive error
Limited-precision effects are modeled as quantization error and analyzed as if noise is inserted into the system at the quantization/round-off step
Good SNR (signal to noise ratio) demands that the signal’s actual range in an application be large compared to the round-off error
Enrichment Topic: Limit Cycles
Limit Cycles are a special case of quantization (limited precision) error propagation of concern for systems with iterative feedback for which errors seem to propagated indefinitely over iterations
Feedback in computations, e.g. DSP IIR systems, can exhibit limit cycles, which are indefinite oscillatory responses from either round-off or overflow errors. This is possible from the feedback of the Limited-precision error, and repetitive rounding.
Errors may appear as constant outputs or +/- oscillations, even after the input becomes 0.
Digital Signal Processing, A Computer-Based Approach Sanjit K. Mitra McGraw Hill
Digital Signal Processing, A Computer-Based Approach Sanjit K. Mitra McGraw Hill
Digital Signal Processing, A Computer-Based Approach Sanjit K. Mitra McGraw Hill
In these images Q refers to a location where precision must be limited, e.g. limit precision (#bits).
In DSP, FIR filters do not exhibit this since they have no feedback (no memory)
Techniques to avoid unwanted limited cycle behavior or bound it usually involve increasing bit length of intermediate calculations, using increased bit length use feedback of error and feedback, introducing random quantization to mitigate perpetuating effects
Reference for Additional Examples:
Discrete-Time Signal Processing (3rd Edition) (Prentice-Hall Signal Processing Series) 3rd Edition by Alan V. Oppenheim (Author), Ronald W. Schafer
Ex 6.15 steps through an example of this shows round-off error where the output oscillates
Ex 6.16 steps through an example of this shows overflow error- based oscillation which can be more sever
Scaling by Powers of Two using Shift
Multiplying by a positive integer power of two may be performed with the logical left-shift shift operator
Multiplying by 2k is left shift by k:
a<<k
Typically synthesizers require k to be a constant;
k bits on left are discarded
Detecting Overflow: no overflow if all discarded bits are the same and the new msb matches the truncated bits
Takeaway
Multiplying a power of two, 2k, can be performed with a left shift by k, a<<k
Software Multiplication using Smaller Hardware Multipliers
8-bit input multipliers can be used to compute 16-bit input multiplication,
Many smaller partial products are computed and weighted or added into appropriately weighted output word
mathematically shown: Y = {AH,AL} x {BH,BL} = AHBH<<16+AHBL<<8+ALBH<<8+ALBL.
Here {AH,AL} is used to denote bit concatenation (not a C operator)
Can generalize to larger word-sizes, maintaining separate words of varying weights
Can use Karatsuba Algorithm for fast multiplication of large numbers (outside the scope of this course)
Takeaway
Long multiplications can be mapped to hardware-supported multiplications by breaking the TWO input operands into supported input word-sizes, performing all associated pair-wise multiplications between the TWO inputs (like FIOL method ), and then adding the results with appropriate shifting to implement wights and sign extensions
Multiplication by Low-Density Constants
Multiplication by low-density constants (few non-zero bits) can be inexpensive: u×24=u×(16+8)=u<<4+u<<3
Using example from previous slide: if the second operand is a constant, the synthesizer reduces the multiplication to shift and one adder:
Takeaway
Multiplying by low-density constants implemented with a few shift-add operations
Rounded Integer Division
Rounded-result division of integers A,B may be accomplished by adding a bias matching the sign of the result, such as by adding an offset(bias) to A that is half the magnitude of the divisor B (integer division half) and matches the sign of the numerator
∣round(float(A)/float(B))∣=(∣A∣+∣B/2∣)/∣B∣
Why?: Because integer division is round towards 0, but if ∣A%B∣ is at least half of ∣B∣ then we need to round away from 0, which can accomplished by effectively adding 0.5 to the magnitude of the result before rounding A+(|B|*sign(A))/2 where sign(A) is 1 or -1 according to the sign of A
Exercise: make code to divide a integer (signed), S, by 256 with a rounded result result=((S>=0)?(S+128):(S-128))/256;
Exercise: make code to divide a integer (signed), S, by 5 with a rounded result result=((S>=0)?(S+2):(S-1))/5;
A hardware (RTL to netlist) synthesizer may only support division by powers of two and possibly only division by constants
float to int conversion is floating-point fix() operator (subtract fractional part) with type conversion discarding fractional part
Takeaway
int division x/y is same as floating point division followed by int conversion ROUND TOWARDS ZERO,
Does not achieve nearest int rounding result, requires a sign-dependant bias such as the following:
(x+sign(x)×∣y/2∣)/y or
(x+((sign(x)!=sign(y))?−1:1)×y/2)/y
Examples and plots follow
Rounded Division example with even denominator
floating-point division: rounded result: cast result to int: bias float before cast: integer biasing: round(int(int((int((int(((fix((fix(7.0float/−47.0float/−47.0float/−47.0float/−4−1.757+(4/2))int/−47.0+(2))float/−4−2.25)))−0.5))−0.5)−2.25))))=−1.75=−2.0=−1===−2===−2
Rounded Division example with odd denominator
floating-point division: rounded result: cast result to int: bias float before cast: integer biasing: round(int(int((int(int(((fix((fix(8.0float/−38.0float/−38.0float/−38.0float/−3−2.666...8+(3/2))int/−38.0+(1))float/−3−3.0)))−0.5)−0.5)−3.16...))))=−2.666...=−3.0=−2===−3===−3
Floor vs Fix vs Round for Singed Values
Positive-Biased Value Before Fix
Negative-Biased Value Before Fix
Sign-Dependant-Bias before Fix
To Properly Mimic Signed-Integer Divided by Power of Two with Shift, a Sign-dependant Pre-Shift Bias is Required
Divide x by 2k is almost the same as an arithmetic right shift
discard k bits on the right and replicate sign bit k times on the left. Must use the arithmetic shift to perform sign extension; x>>>k; same as {k{x[msbindex]},x[msbindex:k]}
However, “integer division” is defined by truncation of the fractional bits of the result, also known as “round towards zero” To mimic this behavior more is needed:
For a positive x, integer division corresponds to floor(x/n)
ex: 5/2 = 2
If x is positive you can just use logical shifting: x>>k;
For a negative x, integer division corresponds to ceil(x/n)
ex: -5/2= -2
Note that arithmetic right-shift does not mimic this behavior 5:5:−5:01012101021011210112>>>1=11012:−3=−2
If x is negative, we want ceil(x/n) which may be computed by applying a bias that is 1 lsb less than the divisor … this is just enough bias that with any fractional result the value becomes ‘‘bigger’’ than the next ‘‘bigger’’ negative integer so that:
floor((x+(2k−1))/(2k))
(x +((1<<k)-1)) >> k
Example: (-5 + (2-1))/2=(-5+1)/2=-4/2=-2
(-5 +((1<<1)-1)) >> 1
(-5 + 1 ) >> 1
Takeaway
Divide x by 2k is defined to be ROUND TOWARDS ZERO — mimicking this detail with arithmetic right-shift requires pre-biasing x by adding 2k−1: ( x + ((1<<k)-1) ) << k
Arbitrary Precision Arithmetic
Embedded systems can implement larger word-length operations, which is a reasonable alternative to using a more complex processor if needs are not at timing-critical points in time.
For 16 bit calculations, an 8-bit architecture may support double-register arithmetic (e.g. use two registers to hold output of a 8X8 multiplication)
For even longer numbers results can be calculated a piece at a time and overflow bits (add/sum) or overflow registers (multiply) can be used to compute larger results. The built-in C variable types are usually automatically handled by the compiler. If even longer types are needed, find an arbitrary precision arithmetic software library.
So, don’t say that you need a 128-bit processor to perform 128-bit arithmetic.
Its just that implementing 128-bit arithmetic with a 8-bit processor via could be slow.
Take for example performing two 128-bit operations a second when using an 8-bit processor.
That shouldn’t be a problem (even at only 8 MHz) and is not cause to change to a different hardware platform.
Error Propagation
Error introduced by division:
Let q be ideal, errorless q=i/x
Let computed value from integer division, iint/x, be q^ and the associated error be Δq, such that
q^=q+Δq,
relative magnitude of error of computed to ideal is related to input operands and precision of computation
Error propagation by multiplication:
A following multiplication operation ×y multiplies the error up to that point: q^×y=(q+Δq)×y=idealq×y+multipliederrorΔq×y
Error introduced by multiplication:
Let m be ideal, errorless m=i×x
Let computed value from integer multiplication be, iint∗x, be m^ and the associated error be Δm, such that m^=m+Δm
error could be caused by overflow->saturation
error could be zero if no overflow can occur
Error propagated by division:
A division, /y, following scales the error up to that point:
m^/y=(m+Δm)/y=idealm/y+scalederrorΔm/y
Error Metric:
May measure and model error propagation using
the worse case error
same penalty for rare error events as common events
average magnitude of error
rare events of large error don’t matter as much
root-mean-square error ( a.k.a RMS error, or standard deviation σ)
like previous, but larger errors are penalized proportionally more than small errors
Earlier examples shown to illustrate error generation and propagation with reordering of operatands
Keep the decision to go big or go small in mind as in each step of implementation in the next topic.
We will formally introduce an additional scale at each step and per operand.
Fixed-point arithmetic
Floating Point Math and Fixed-Point Math
If no floating point unit (FPU) is available, you can find a floating point software library. This will likely be slow.
Another option is fixed-point math. You can write or use a library or just do it as needed inline….
Fixed-point arithmetic
Problem: Want to use integer operations to represent adding 0011.1110 and 0001.1000
Solution (by example with explanation to follow):
Store 0011.1110 as 00111110
Store 0001.1000 as 00011000
Add 00011000 + 00111110 = 01010110
Interpret 01010110 as 0101.0110
QM.N notation
Can use common QM.N notation: M+N bits, with M bits as whole part and N bits as fractional part.
To design the computation, must first determine number of bits to use for whole and fraction parts depending on range and precision needed. This determines the scale factors required to convert the faction to a whole number
Addition and Subtraction with scale S (operands with same scale)
A+B computed as A×Sinteger addition+B×S=C×S, so that the addition is an integer addition
Interpret result by dividing output by S to obtain answer C
using a power of two for S is efficient, though not required
A−B computed as A×S−B×S=C×S
Divide result by S to interpret answer C
Example: Check if addition of 0.17 meters and 0.24 meters is greater than .9 meters
int Y_S100 =(.9*100);int A_S100 =(0.17*100);int B_S100 =(0.24*100);int C_S100 = A_S100+B_S100;//integer additionint flag = C_S100 > Y_S100;//integer subtraction/comparison
To be human understandable, an example presented with powers of 10 for scaling, but powers of 2 are usually appropriate for efficiency and predictability of errors and error propagation.
Multiplication with scale S
A∗B computed as (A×S)integer multiplication×(B×S)=C×S×S
Divide result by S2 for final interpretation
Or to maintain S-Scale representation for C for further computations, divide result by S
Unfortunately, the intermediate result C×S×S required more storage than the scaled result C×S
Example: Check if area of rectangle with sides of length 0.17 meters and 0.24 meters is greater than the area of a square with sides of length .2 meters
To be human understandable, an example presented with powers of 10 for scaling, but powers of 2 are usually appropriate for efficiency and predictability of errors and error propagation.
Division with scale S:
A/B could be computed as (A×S)integer division/(B×S)=C
Scales cancel. Which is fine if you only wanted an integer answer
Would need to multi by S to obtain scaled result C×S for further math
…but this is less accurate since the lower bits have already been lost
For precision, better to prescale one of the operands ((A×S)×S)/(B×S)=C×S
Unfortunately, the intermediate term ((A×S)×S) requires more storage and a larger computation
For rounding, remember to apply numerator pre bias of sign(numerator)×1/2×∣denominator∣ when performing integer division
Example:
Circumference to Radius
Note that // is integer division in Python3
from math import*import numpy as np
import pyforest
tau = pi *2#tau
C=tau+2.8# some value for circumference #(note that adding was intentional here just to produce an interesting number 9.0831853072)#C
C8=floor(C*8)#C*8,C8,C8/8
C256=floor(C*8*8)#C*8*8,C256,C256/(8*8)
tau8=floor(tau *8)#tau8,tau8/8
halftau8=floor(tau/2*8)//precomputed bias
#halftau8,halftau8/8print("C = %20.10f"%C)print("C/tau = %20.10f"%((C)/(tau)))print("C8/tau8 = %20.10f"%((C8)//(tau8)))print(" with pre-div bias : %20.10f"%((C8+halftau8)//(tau8)))print(" with prescale : %20.10f"%((C8*8)//(tau8)/8))print(" with prescale and pre-div bias: %20.10f"%((C8*8+halftau8)//(tau8)/8))print("C256/tau8 = %20.10f"%((C256)//(tau8)/8))print(" with pre-div bias : %20.10f"%((C256+halftau8)//(tau8)/8))print("---")
C = 9.0831853072
C/tau = 1.4456338407
C8/tau8 = 1.0000000000
with pre-div bias : 1.0000000000
with prescale : 1.3750000000
with prescale and pre-div bias: 1.5000000000
C256/tau8 = 1.3750000000
with pre-div bias : 1.5000000000
Bias before reducing precision
Reducing precision will involve division, typically achived using right-shift
Therefore follow prebiasing rule for division
When removing lesser significant bits, perform biasing of 1/2 weight of surviving position according to the sign of the value before shifting to achieve rounding
if dividing by 2n, before right shifting by n, add or subtract (1 << (n - 1))
Examples converting positive value Q4.4 to Q6.2:
Will need to loss bits in 1/8 and 1/16 position, with new lsb position of 1/4
For positive numbers need to add 1/8th before truncation
For negative numbers need to subtract 1/8th before truncation
481, 4.125, 0010.0010, stored as 00100010
Without prebias for correct rounding:
right shift by 2 results in 00001000 ,lost ending bits 10
interpreted as 4.0
With prebias for correct rounding:
481+81=441
00100010 + 00000010 = 00100100
right shift by 2: 00001001
interpreted as 4.25 (4.125 rounded to the nearst 41)
−1161, 1110.1111 stored as 1110 1111
Without prebias:
(Arithmetic) right shift by 2 results in 11111011 ,lost ending bits 11
interpreted as −141
With prebias:
1161+81
1110 1111 + 1111 1110 = 1111 0001
right shift by 2: 1111 1100
interpreted as -1 (−1161 rounded to the nearst 41)
int16_tq_add_sat(int16_t a,int16_t b){int16_t result;int32_t tmp;
tmp =(int32_t)a +(int32_t)b;if(tmp >0x7FFF)
tmp =0x7FFF;if(tmp <-1*0x8000)
tmp =-1*0x8000;
result =(int16_t)tmp;return result;}// precomputed value:#defineK(1<<(Q -1))// saturate to range of int16_tint16_tsat16(int32_t x){if(x >0x7FFF)return0x7FFF;elseif(x <-0x8000)return-0x8000;elsereturn(int16_t)x;}int16_tq_mul(int16_t a,int16_t b){int16_t result;int32_t temp;
temp =(int32_t)a *(int32_t)b;// result type is operand's type// Rounding; mid values are rounded up
temp += K;// Correct by dividing by base and saturate result
result =sat16(temp >> Q);return result;}int16_tq_div(int16_t a,int16_t b){/* pre-multiply by the base (Upscale to Q16 so that the result will be in Q8 format) */int32_t temp =(int32_t)a << Q;/* Rounding: mid values are rounded up (down for negative values). *//* OR compare most significant bits i.e. if (((temp >> 31) & 1) == ((b >> 15) & 1)) */if((temp >=0&& b >=0)||(temp <0&& b <0)){
temp += b /2;/* OR shift 1 bit i.e. temp += (b >> 1); */}else{
temp -= b /2;/* OR shift 1 bit i.e. temp -= (b >> 1); */}return(int16_t)(temp / b);}
Corrections
2022-08: error propagation: comared to ideal -> error of computed to ideal